燃气导热油炉 燃气导热油炉
常州市上能锅炉有限公司专业制造以导热油为介质的低氮燃气导热油炉,低氮燃气导热油锅炉,其规格为(10-2000万大卡)供热温度高达350℃,供用热设备用热。
|
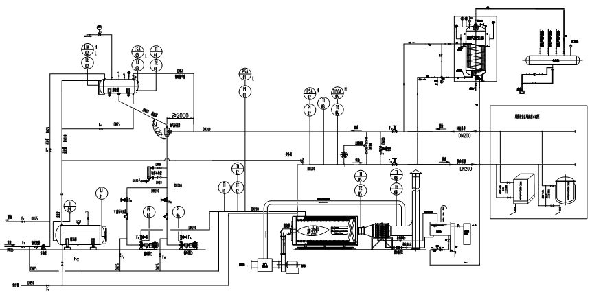
燃气导热油炉主机含低氮燃气燃烧器与低氮炉膛导热油炉本体
|
燃气导热油炉通常由无缝钢管盘成数组受热面,燃料气被燃烧器喷入炉内燃烧,产生高温火焰与烟气在受热面之间流动,有机热载体(导热油)在炉管内以设计规定的流速流动,燃料产生的热能通过炉管壁传给有机热载体,使其升温,并通过热油泵向炉外输出热量,输送到生产工艺中需要温度的各个工业领域。

燃气导热油炉在额定工况下炉本体出口烟气温度均超过 300℃,为了提高锅炉系统能源转换利用率,以滿足安全节能环保的要求,需加装节能换热器。节能换热器有余热蒸汽炉,空气预热器,省煤器。根据节能环保原则选择。
|
燃气导热油炉 |
燃气导热油炉 |
燃气导热油炉 |
燃气导热油炉 |
|
|
燃气导热油炉广泛应用于纺织、石油、化工、塑料、公路、印染、涂装等几十个行业中<350℃的工业加热,但随着国家环保排放标准的提高,对不同的地区燃气导热油炉的使用排放,有着不同的环保排放标准,特别是对氮氧化物排放要求更严格。
|
燃气导热油锅炉的操作模式可以在控制室里远程控制热油炉的启动、燃烧和停止的全部过程,以及供热量的全部调节过程,在热油炉安装的现场为全自动操作。
|
燃气导热油炉的炉管材质 :20#钢 GB3087锅炉钢管。 壳体材质为 : Q235-B 。
燃气导热油炉的图纸经江苏省质量技术监督局锅炉局审查通过,特批予以制造.
燃气导热油炉 |
燃气导热油炉 |
燃气导热油炉 |
燃气导热油炉 |
燃气导热油锅炉的燃烧器采用原装进口低氮型燃气燃烧器,其控制全部采用自动化,可根据设定温度调节燃气量的大小,以保证出口温度控制在±1℃以内。这种燃烧器具有“技术性能先进,运行安全且可靠,超低氮氮氧化物排放<30mg/m3,节省天燃气

燃气导热油炉的供热系统:由膨胀槽,储油槽,热油循环泵,注油泵,油过滤器,油气分离器等组成。
|
燃气导热油炉在额定工况下炉本体出口烟气温度均超过 300℃,为了提高锅炉系统能源转换利用率,以滿足安全节能环保的要求,需加装节能换热器。节能换热器有余热蒸汽炉,空气预热器,省煤器。由用户选择。由于尾部装节能换热器会引起烟气空气流阻的变化需要选择相匹配燃烧器
燃气导热油炉,出烟口尾部加装节能换热器,节省使用成本。


燃气导热油炉是根据用户当地的环保要求来选配低氮燃气燃烧器与定做低氮热油炉炉膛,满足当地的环保要求。
|
燃气导热油炉 |
燃气导热油炉 |
燃气导热油炉 |
燃气导热油炉 |
燃气导热油炉在北京,郑州,西安,宝鸡,咸阳,渭南,铜川,成都,山西等地区安装使用,要求氮氧化物排放小于30毫克/每立方米,要求在上海,杭州,长三角地区氮氧化物排放小于50毫克/每立方米。
燃气导热油炉 |
燃气导热油炉 |
燃气导热油炉 |
燃气导热油炉 |
常州市上能锅炉有限公司向中外客户奉献安全环保,高效节能, 低耗优质的燃气导热油锅炉,低氮燃气导热油锅炉供中外客户选购
¨:上能锅炉公司真诚与您携手合作,请关注我公司的网站:www.czrfl.cn www.rsdryl.com,www.czrsgl.com,www.czsngl.com。联系电话:0519-82052399
请关注上能锅炉公司网站:www.czrsgl.com,www.czrfl.cn,www.rsdryl.com
相关新闻:
- 燃气导热油炉安装用到哪些工具?停炉操作时要注意什么? 2023-08-19
- 燃气导热油炉不点火的故障分析及处理方法介绍 2023-06-20
- 燃气导热油炉的正常停炉及紧急停炉的注意事项 2023-05-22
- 防止燃气导热油炉的事故发生我们要做好哪些工作? 2023-05-09












