导热油炉低氮改造
常州市上能锅炉有限公司专业制造以导热油为介质的低氮导热油炉,低氮导热油锅炉,其规格为(10-2000万大卡)供热温度高达350℃,供用热设备用热。专业制造以(熔盐)为导热介质的燃气熔盐炉,其规格型号为(60-2000万大卡)供热温度高达550℃的燃气熔盐炉。专业制造燃气蒸汽锅炉,功率范围:1t/h~25t/h 适用燃料:天然气 燃烧方式:微正压燃烧 NOX排放:NOx≤30mg 热效率:热效率≥103%


|
|
|
|
|
|
|
一.导热油炉低氮改造,导热油锅炉低氮改造,项目工程概况
根据现行环保要求,原有燃天燃气锅炉的排放指标已不能满足的环保排放标准,所以要对锅炉的燃烧器进行改造,更换为超低氮燃烧器。本项目采用进口牌超低氮燃烧器系统解决方案,即更换超低氮燃烧器并配套烟气再循环的方式。
燃烧器及系统的改造设计,应充分满足现有锅炉设计技术参数与设计燃料的要求,限度地利用已有资源,尽量降低改造成本。设计原则为:
燃烧器点火及运行过程安全稳定可靠
设计合理,系统易于操作
氮氧化物浓度超低排放指标
保证锅炉安全、稳定、经济运行
1、本改造项目主要内容
1)拆除旧燃设备:
拆除旧燃烧设备,包括燃烧器、阀组控制设备等,拆除后废旧设备存放至用户指定地点;
2)提供满足市场要求的(NOX < 30 mg/Nm3)燃烧器及设备:
提供新型DOWSON超低氮燃烧器产品及配套设备;
3)提供配套燃烧控制系统:
提供配套燃烧控制系统,采用LAMTEC控制器与锅炉原有控制系统相连接;
4)配套提供燃烧器改造需要更换的阀门系统:
配套提供燃烧器改造需要更换的阀门和过滤器等,均为欧洲国家进口品牌。
5)完成燃烧器及电控系统的安装、调试等工作;
2、改造内容概述:
本次我方将针1台2400KW有机热载体炉原有的燃烧器、燃烧器配套阀组、送风系统、燃烧器控制系统等设备进行全面更新。燃烧系统低氮改造后,氮氧化物排放浓度<30mg/Nm3的要求,同时满足我方承诺的性能保证值。
3、更换原有燃烧器
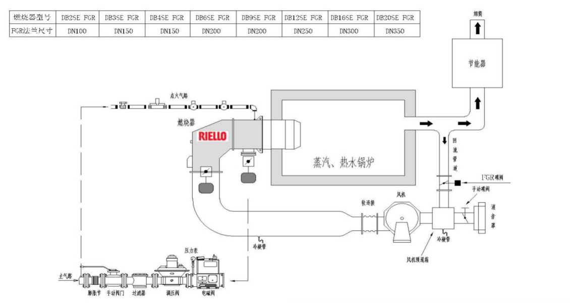
提供TB3 SE FGR系列燃气超低氮分体机壹台进行改造,和与此相配套的风机及控制器。
二、导热油炉低氮改造,导热油锅炉低氮改造,超低氮燃气燃烧器介绍:
1设计基础条件:
1.1燃料气:天然气
1.2燃料气压力:15-30KPa
2、燃烧器选型及技术规格、配置清单
为确保机组的正常运行,我们选用意大利道森牌分体式燃烧器,该燃烧器具有“技术先进性能好,运行安全且可靠,经济实用效率高,等特点。
本燃烧器实现全自动控制运转,着火、停火动作和运转控制,均按规定的顺序自动运转,十分安全,火焰监视器一感知不着火或失火就切断燃烧,停止燃烧器并发出报警。
道森牌燃烧器对燃烧过程实行比例调节控制。
道森牌燃烧器燃烧后烟气排放指标根据 DIN EN676 标准。
本燃烧器及燃料气检测系统,均为意大利原装进口。
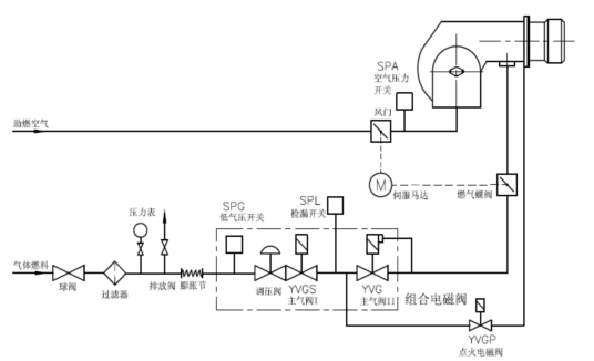
燃烧器采用电子比例式调节,燃烧器有一个随负荷可变的混合燃烧头,通过伺服电机改变扩散顺之间的现状间隙,从而导致相应的 功率改变,在这种调节下,即使在部分负荷条件也能保持稳定的燃烧 状态,从而达到燃烧效率。为确保机组的正常运行,我们选用 意大利道森牌热风型天然气燃烧器,该燃烧器严格符合欧盟 EN676, EN267 的燃气和燃油技术性能标准设计和生产,具有“技术先进,运 行安全可靠,环保节能,市场占有率高,服务完善”等优点。整套燃 烧装置由 燃气系统、燃油系统、燃烧器本体、燃烧控制系统及风机 机组五部分组成。
2.1. 燃气系统图
从主供应管线出来的天然气通过过滤器、阀组和稳压单元(把气压稳定在可用范围内)后,伺服电机驱动下的燃气蝶阀会精确控制阀芯转角来调节气量,机械式联动风门调节板也同时转动,调节助燃风量,以的混合比例产生高效的燃烧。
2.2. 烟气再循环系统
为保证NOx排放浓度<50mg/Nm3,需增加烟气再循环(FGR)系统
燃烧器作为混合装置,首先要确保燃料与空气均匀混合,并在一定的火焰范围内完全燃烧。特定体积的燃料和空气混合物在完全燃烧后存在过量空气,理论上过量空气量越低,燃烧器的热效率越高。
燃烧器作为混合装置,首先要确保燃料与空气均匀混合,并在一定的火焰范围内完全燃烧。特定体积的燃料和空气混合物在完全燃烧后存在过量空气,理论上过量空气量越低,燃烧器的热效率越高。
特定体积、特定流速的空气与燃料压降为燃烧器正常工作提供了可用的混合动力。这种来自于燃烧空气流压降与燃料流压降之和所产生的动力,既混合空气与燃料的能力直接影响火焰范围内的产热能力,可以得到理想的混合比;混合能力越佳,产生火焰越小,燃烧器性能越理想。
2.3方便维护的模块化燃烧本体设计
利雅路标准机型可以从后部的分度螺丝来调节燃烧头位置。定位可在燃烧器启动调节时观察确定。该定位根据不同的炉型和背压等来现场实际确定,该定位可令燃烧器获得理想的风燃比,从而实现高效运行。这项技术的有利之处,不仅可以实现全出力范围的理想燃烧,还可以拓展更大的调节比。通过降低可用出力,减少燃烧器的自动开关循环。
燃烧头以及各组件模块式装配,采用大盖板壳体设计,安装和维护方便快捷。
DB系列燃烧头的几何形状可调节,同时可以改变火焰形状,大大提高了燃烧器与不同锅炉的匹配吻合度;(其他品牌燃烧器燃烧头形状不可调节)
DB系列都采用铰链连接,使燃烧器日常保养变得非常方便;
DB系列燃烧器空气入口方向360度可选,可以满足现场不同情况的安装。
见下图:
|
2.4助燃风机
风机的选用BMCIMM 品牌,SKF 轴承,性能优越,运行可靠。选型时充分考虑几个因素:炉膛背压、燃烧器出力、燃烧器自身阻力、空气加热器阻力、风道阻力、助燃风温、工作环境如海拔等,完全满足该炉型的燃烧要求。
三、导热油炉低氮改造,导热油锅炉低氮改造,服务承诺
1.设备的可靠性承诺:安全可靠、高效节能。
2.卖方按照合同条款规定保质、保量,按时将合同货物送到买方指定地点;
3.在燃烧器、控制系统的有效使用期内,凡由于设计、制造、材质等原因出现的质量问题,卖方将承担产品质量责任;
4.设备安装时,卖方将派专业人员进行技术指导,以施工设计方案的标准要求,保证安装质量;
5.设备调试时,卖方将派专业技术人员进入现场,确保调试全过程的顺利进行;
6.在验收工作中,对使用方提出的问题逐一加以解决,保证燃烧器、控制系统的各项指标、性能达到设计要求;
7.及时向使用方提供产品的全套技术文件及资料、样本和安装使用说明书;
8.卖方提供的燃烧器、燃气系统、控制系统产品在验收合格后,实行质保,在质保期内,非人为责任出现的事故,本公司免费承担维修责任,质保期后实行终身服务;
9.卖方实行24小时全天候、全方位的售后服务,只要使用方需要,卖方有关人员可在6小时内给予答复并赶赴现场,排除故障;
10.卖方以定期或不定期的方式走访用户,实施跟踪服务,了解产品的使用情况并建立用户档案,做好用户服务工作。确保产品质量信息反馈处理率100%;
11.保修期承诺:收货后18个月或调试合格后12个月,以先到为准;
12.人员培训:免费对需方人员实现培训,使其能掌握基本知识和操作燃烧器;
四、导热油炉低氮改造,导热油锅炉低氮改造,低氮改造案例



常州市上能锅炉有限公司专业制造以导热油为介质的低氮燃气导热油炉,低氮燃气导热油锅炉,其规格为(10-2000万大卡)供热温度高达350℃,供用热设备用热。专业制造以(熔盐)为导热介质的燃气熔盐炉,其规格型号为(60-2000万大卡)供热温度高达550℃的燃气熔盐炉。专业制造燃气蒸汽锅炉,功率范围:1t/h~25t/h 适用燃料:天然气 燃烧方式:微正压燃烧 NOX排放:NOx≤30mg 热效率:热效率≥103%
常州市上能锅炉有限公司真诚与您携手合作双赢,共创辉煌
¨:请关注我公司的网站:www.czrfl.cn www.czrsgl.com www.czsngl.com www.rsdryl.com 联系电话:0519-82052399
请关注上能锅炉公司网站:www.czrsgl.com,www.czrfl.cn,www.rsdryl.com
相关新闻:
- 电加热导热油炉 2024-05-24
- 燃气导热油炉安装用到哪些工具?停炉操作时要注意什么? 2023-08-19
- 使用燃油导热油炉的优势具体体现在哪些方面? 2023-07-17
- 低氮导热油炉的主要优点介绍 2023-07-11
