燃油燃气导热油锅炉,燃气导热油炉,燃气导热油加热炉分体式超低氮燃气燃烧头燃烧技术介绍
燃气导热油锅炉,燃气导热油炉,燃气导热油加热炉的燃烧过程NOx生成的微观机理比较复杂,但从宏观上,主要的影响因素为过量空气系数、温度和配风方式。根据这些因素的影响规律,百得设计了低污染燃烧头,采用了如下的降低NOx排放的技术,同时也使CO 的排放水平降到极低:
|
a)燃气导热油锅炉,燃气导热油炉,燃气导热油加热炉的炉内烟气再循环燃烧,降低氮氧化物排放
二次风的出口速度很高,将周围低温、贫氧的烟气卷吸到火焰表面,一方面降低火焰表面温度,另一方面稀释火焰表面氧浓度,从而抑制NOx的生成。
b) 火焰中心分散,将火焰分成数个小火焰,增大散热面减少排放
分散的火焰中心降低了火焰的温度水平,使NOx的生成量降低。
c) 分级配风,分级燃烧:抑制过剩空气量使燃料与空气分段混合燃烧。降低NOx的生成和排放。
燃烧空气分为根部风、一次风和二次风三部分逐渐与燃气混合,形成局部贫氧燃烧,降低NOx的生成和排放。
D) 完全燃烧:燃烧火焰完全覆盖锅炉燃烧室,提高燃烧效率
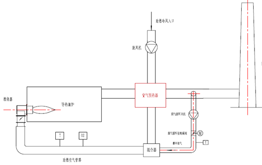
E) 分体式燃烧器FGR烟气外循环技术降低氮氧化物排放
就是使用自身所带的燃烧器风机,将从烟囱收集的烟气与燃烧空气混合。烟气流量通过电动蝶阀调节,该阀由燃烧器程控器控制。使用这种方法,燃烧器的工作范围会降低,使得在恒定的体积流速下,氧气量减少;
请关注我公司的网站:公司网址:www.czrfl.cn www.rsdryl.com www.czrsgl.com 。
请关注上能锅炉公司网站:www.czrsgl.com,www.czrfl.cn,www.rsdryl.com
相关新闻:
- 熔盐炉,熔盐加热炉,是固碱蒸发,浓缩设备中的核心装置 2024-12-17
- 熔盐炉,熔盐加热炉,是固碱蒸发,浓缩设备中的核心装置 2024-12-17
- 电加热导热油炉 2024-05-24
- 常州市上能锅炉有限公司 2024-05-24
