低氮燃气导热油锅炉,低氮燃气导热油炉供热系统工作原理
低氮燃气导热油锅炉供热系统的工作原理
低氮燃气导热油锅炉供热系统是以燃气导热油锅炉为核心,各附属设备、仪器仪表、用热设备组成燃气有机载热体炉供热系统。
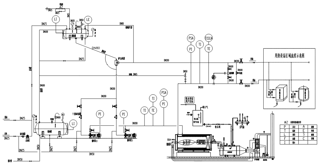
低氮燃气导热油锅炉供热系统的工作原理图:
|
注入式工作原理图
在以上原理框图中:有机热载体是由循环泵输出—→低氮燃气导热油锅炉—→热用户(即用热设备)—→油气分离器—→再进入循环油泵。这是一个循环管路,原理图中是用粗黑线表示出来的,是主循环管路。在正常供热时,有机热载体就是沿着这样一个环形循环管路,不断循环流动,将热能从有机热载体炉送到用热设备。其他部分如膨胀槽、储油槽、注油泵等都是不可缺少的辅助设备,正常供热时,它们都不参与有机热载体的循环流动,但是它们在整个供热管路中起着重要作用,是不可缺少的。
有机热载体在较高的温度下,一般都具有蒸发量小,饱和蒸汽压力低的特点,从而使有机热载体炉具有高温、低压、节能的特点。这些特点是以水作为热载体的蒸汽锅炉所不可能具备的。
低氮燃气导热油锅炉供热系统必然是一个循环管路系统,导热油在炉内被加热、升温、再由循环泵经管道输送到用热设备,放出热能,导热油的温度降低,再由回程管道输回低氮燃气导热油锅炉,再被加热、升温,再被输送出去。如此往复循环,在正常工作条件下,导热油不排放,自身也基本上不损耗,可长期运行。
低氮燃气导热油锅炉供热系统是依靠循环泵提供流动动力以液相强制循环。所以,在低氮燃气导热油锅炉点火,燃料燃烧,加热导热油从而向用热设备供热时,循环泵不能关闭,否则,导热油将停止循环,不但用热设备得不到热能,更为严重的是,炉内的导热油将会超温、分解、变质,在炉管内壁上形成“结焦”,这样不但会使导热油报废,还会严重损坏炉体,甚至造成炉体报废。
因此,低氮燃气导热油锅炉供热系统中,一般都应配备两个循环泵,一个工作,一个备用,以保证循环系统在高温时的可靠性。
当燃烧系统停止运行时,,须待炉温降至不会使炉管内导热油温度回升或达到危险温度时,方能停止循环泵的运行。
|
常州市上能锅炉有限公司紧盯国家的产业政策,专业制造以导热油为介质的低氮燃气导热油锅炉,其规格为(10-2000万大卡)供热温度高达350℃。低氮燃气导热油锅炉是常州市上能锅炉有限公司具优势的产品(因我公司早引进德国热油炉生产技术)常州市上能锅炉有限公司真诚与您携手合作双赢,共创辉煌
请关注我公司的网站:www.czrfl.cn www.rsdryl.com www.czrsgl.com www.czsngl.com 联系电话:0519-82052399
请关注上能锅炉公司网站:www.czrsgl.com,www.czrfl.cn,www.rsdryl.com
相关新闻:
- 熔盐炉,熔盐加热炉,是固碱蒸发,浓缩设备中的核心装置 2024-12-17
- 熔盐炉,熔盐加热炉,是固碱蒸发,浓缩设备中的核心装置 2024-12-17
- 电加热导热油炉 2024-05-24
- 常州市上能锅炉有限公司 2024-05-24
